光学设计
-
30度透镜光学报告
2022-05-06 -
反光杯光学报告
2022-03-30 -
首尔透镜评估 珠海南韵凯泰
首尔P4透镜评估 设计要求: 以一米处的光斑直径为准,以光斑直径确定出光角度 ...
2022-03-12 -
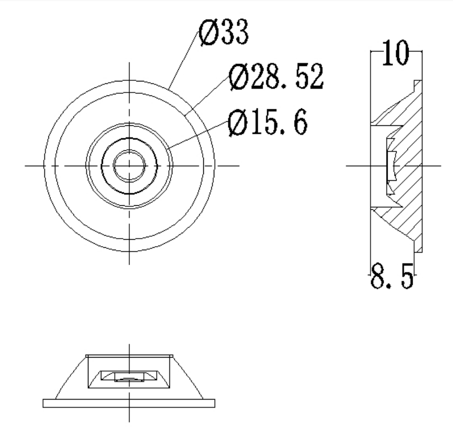
照明用COB反光杯设计
...
2021-07-30 -
光学模拟_D24H8.2mm-PC+SST-70-W=FWHM17_V1a(1)
2021-07-30 -
反光杯光学模拟_1300Lm_MH40GTR_Ref+CSLPM1=FWHM2.2_V1b
2021-07-30 -
激光手电透镜设计报告
激光手电透镜设计报告
2021-06-29 -
分离型传感器光学设计报告
2021-05-27 -
60度透镜光学设计报告
2020-04-01 -
30度40度5x45度透镜光学设计报告
...
2020-04-01 -
TV lens-OD10(广告灯箱透镜)
TV lens-OD10(广告灯箱透镜)
2019-12-05 -
COB 透镜设计报告
LED: 夏普 GW6BMR**HED 透镜材料:光学级 PC
2019-12-05 -
13度XPG3 TIR透镜设计报告
产品尺寸图 装配关系 仿真结果 1/ 照度光斑图 2/ 配光曲线图 3/ 结果分析 照...
2019-12-02 -
17mm透镜模拟报告
客户要求 尺寸:参考客户提供的CAD图纸, 光源:XPL-HI 材料 :PC 角度:最小角度 光斑均匀 ...
2019-12-02





0769-82865682